Une question de technologie, ou comment démonter une machine à laver Samsung de vos propres mains
Les machines à laver Samsung sont des appareils électroménagers fiables et durables, mais les appareils qui ne tomberaient jamais en panne n'existent tout simplement pas.
En cas de panne, des pièces doivent être remplacées et, pour cela, le lave-linge Samsung doit être démonté.
Découvrez comment démonter et remonter correctement une machine à laver Samsung dans l'article.
Contenu
Préparation au démontage
Avant de procéder à la procédure principale, vous devez effectuer plusieurs activités préparatoires.
Ils comprennent 3 étapes principales:
- Retirez l'appareil de la salle de bain, car il est très difficile de le démonter dans une pièce étroite. De plus, la pièce doit être bien éclairée. Le lieu des travaux à venir doit être recouvert de chiffons ou de journaux afin de ne pas gâcher le revêtement de sol (si les travaux sont prévus pour être effectués dans l'appartement).
- Préparez les outils.
- Préparez l'appareil lui-même pour la réparation à venir.
Pour démonter complètement le lave-linge, vous aurez besoin de l'ensemble d'outils suivant:
tournevis ou tournevis;- clé et clé hexagonale;
- pinces;
- multimètre;
- un marteau;
- marqueurs de couleur;
- graisse WD-40;
- mastic;
- chiffon.
Parfois, il devient nécessaire de couper le réservoir, par exemple, pour accéder à la traverse. Dans ce cas, vous ne pouvez pas vous passer:
- scies à métaux,
- exercices,
- percer,
- vis et boulons.
La préparation de la machine elle-même implique de passer par les étapes suivantes:
- Débranchez l'alimentation de l'appareil. Il est inacceptable de démonter la machine connectée au secteur.
- Débranchez le tuyau d'arrivée et de sortie d'eau.
- Retirez le filtre de vidange et vidangez-y l'eau. S'il est sale, il peut être nettoyé.
- Placez l'appareil dans un endroit pratique.
Une fois tous les travaux préparatoires terminés, vous devez étudier le schéma de la machine à laver. Vous pouvez en savoir plus sur le fonctionnement du lave-linge Samsung à partir de ce des articles.
Diagrammes de machine à laver Samsung
Les schémas des machines à laver Samsung peuvent présenter de légères différences, selon le modèle. Cependant, les composants généraux sont toujours les mêmes. Le diagramme est montré dans la figure:

Éléments essentiels Machines à laver Samsung:
- le panneau avant, la paroi arrière, le couvercle supérieur et le bas de l'appareil sont tous fixés avec des boulons;
- plateau coulissant pour détergents;
- panneau avec programmes;
- tambour, embrayage, réservoir;
- contrepoids - le plus souvent il y en a deux, ils sont situés en haut et en bas de la machine à laver;
- moteur;
- ressorts;
- pompe;
- Élément chauffant;
- pressostat.
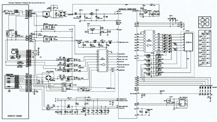
En plus du circuit de base de la machine à laver, il existe également un circuit électronique qui vous sera utile lors de la vérification de l'intégrité des fils et des assemblages... Il est montré dans la figure:

Caractéristiques du processus
Selon le type de charge, les méthodes de démontage des machines à laver seront différentes. Si la procédure est effectuée pour la première fois, vous devez suivre strictement les instructions afin de ne pas endommager l'appareil.
Machine automatique à chargement frontal
Vous devez commencer le démontage en démontant le capot supérieur. Pour ce faire, dévissez les 2 vis qui se trouvent à l'arrière de l'appareil. Le couvercle est repoussé de 15 cm et relevé.
Autre algorithme d'actions:
- Démontage de la trémie et du panneau de commande. Vous devez d'abord retirer la trémie du distributeur de détergent. Pour ce faire, appuyez sur le loquet situé à la base de la trémie et tirez à nouveau le conteneur vers vous. Il sortira facilement, vous n'avez pas besoin de faire d'efforts particuliers. Derrière la trémie, vous pouvez trouver des attaches retenant le panneau de commande. Ils sont dévissés: il y a 2 vis à l'avant et 1 vis à droite. Séparez le panneau avec un tournevis en le soulevant par le côté gauche.
- Retrait du panneau avant. Il doit être tiré sur le bord inférieur pour le libérer des loquets supérieurs. Ensuite, le panneau est poussé doucement vers lui-même, mais sans mouvements brusques. Derrière vous pouvez trouver de nombreux fils, vous devez les retirer un par un, en retirant les loquets.
- Retrait du panneau inférieur. Il est sécurisé par 3 loquets. Il est pratique de le soulever avec un tournevis plat en insérant l'outil dans la fente existante. Tout d'abord, il est repoussé au centre, puis le long des bords, après quoi le panneau se détache facilement.
- Retrait du panneau avant sur lequel se trouve la porte. Il est fixé avec 2 vis par le bas et 2 vis par le haut. Ils sont dévissés. En conséquence, le panneau sera maintenu par de petits crochets.
-
Retrait du joint. Si vous ouvrez la porte, vous constaterez qu'elle est reliée à une pièce en caoutchouc. L'anneau de retenue du brassard est pris avec un tournevis plat et légèrement tiré vers vous.Derrière lui, il y aura une pince métallique de serrage sous la forme d'un ressort. Vous devez trouver son loquet et l'ouvrir avec un tournevis plat.
Ensuite, il fait le tour de toute la circonférence de l'anneau pour le déconnecter. Manipulez l'outil avec précaution. Sinon, le brassard déchiré devra être remplacé.
- Retrait du panneau arrière. Ce processus n'est pas difficile. Il suffit de retirer 4 vis autotaraudeuses avec lesquelles il est vissé.
- Débrancher les flexibles. Ils conduisent au réservoir de la machine (entrée et sortie), au pressostat et à la goulotte de poudre.
- Déconnecter les fils menant à l'élément chauffant et au capteur de température. Le réchauffeur lui-même est situé dans la partie inférieure avant du réservoir, sous le tambour. Pour le retirer, vous devez dévisser les écrous. Après cela, l'élément chauffant sortira facilement du nid. Lorsque vous retirez les fils, vous devez marquer leur emplacement avec des marqueurs colorés.
- Suppression des contrepoids. Il y en a 2 dans la machine à laver: au-dessus et au-dessous du réservoir. Ils sont fixés avec des boulons. Les charges étant lourdes, elles doivent être retirées avec précaution.
- Une aide est nécessaire pour retirer le réservoir. Il est difficile de gérer une seule paire de mains. Vous devez d'abord déconnecter les amortisseurs, puis retirer soigneusement le réservoir des ressorts et le retirer. Après cela, la courroie et le moteur sont retirés. Enfin, la poulie est démontée en dévissant le boulon du milieu. S'il est rouillé, il est lubrifié avec du WD-40.
- Il y a des roulements à l'intérieur du tambour. Pour les retirer, le réservoir doit être démonté. S'il est soudé, il est scié avec une scie à métaux. Ce processus est très laborieux et tous les maîtres n'entreprennent pas un tel travail. Dans ce cas, il est plus facile d'acheter un nouveau tambour. À condition que le réservoir soit pliable, le remplacement des roulements ne sera pas difficile.
Avec vertical
Le démontage d'une machine à chargement par le haut est plus difficile. De tels appareils sont rares en Russie.
La procédure est la suivante:
- dévisser les vis situées sur les côtés;
- déplacez le bloc de votre côté;
- débranchez tous les fils;
- retirer le panneau de la machine à laver.
Une analyse plus approfondie du dispositif est réalisée selon le même type que pour une machine à laver à chargement frontal: retirer le plateau, les panneaux, la pince. Le processus se termine par le retrait du tambour, le remplacement ou la réparation des pièces défectueuses.
Comment monter?
Assembler une machine à laver Samsung n'est pas difficile si vous prenez toutes les actions de la photo. L'installation est effectuée à l'envers.
Assurez-vous de fixer tous les fils et tuyaux... Lors du vissage des pièces, vous devez vérifier qu'elles ne pendent pas, mais qu'elles sont solidement fixées.
Difficultés possibles
Lors du démontage de la machine à laver vous pouvez faire face aux difficultés suivantes:
Câblage cassé. Lorsque vous travaillez avec des fils, vous devez être prudent, car ils sont très fragiles. En cas de rupture, remplacez l'élément endommagé.- L'intégrité du brassard a été compromise. Pour éviter que cela ne se produise, vous ne devez pas essayer de le retirer avec des pièces tranchantes, par exemple avec un couteau. Utilisez un tournevis avec précaution.
- Les boulons sont cassés. S'ils sont difficiles à dévisser, vous devez utiliser le WD-40.
- Tuyaux ou poulie cassés.
Pour éviter des problèmes mineurs et des dépenses supplémentaires, vous devez démonter la machine à laver avec soin, lentement et en essayant de ne pas endommager les pièces.
Tout sur la réparation des machines à laver Samsung - en ce section.
Vidéos connexes
Comment démonter une machine à laver Samsung, instructions vidéo:
Conclusion
Analyser une machine à laver Samsung n'est pas une tâche facile, mais vous pouvez y faire face si vous abordez la question de manière responsable.
La séquence des actions ne doit pas être perturbée, pour clarifier l'emplacement des pièces, vous devez utiliser le diagramme. L'ensemble du processus de travail doit être enregistré, de sorte que plus tard, vous puissiez facilement assembler l'appareil.


